Торговый дом «316L» поставляет нержавеющие фланцы плоские DIN11850 из наличия со склада и под заказ. Фланец нержавеющий выполненный по стандарту DIN 11850 - плоский/гладкий фланец, круглой формы предназначен для соединения труб, емкостного оборудования, запорно-регулирующей арматуры, насосного и прочего оборудования в единую систему. Размерный ряд плоского фланца DIN11850 PN10 AISI304L/316L соответствует размерному ряду нержавеющих пищевых электросварных труб DIN11850, запорно-регулирующей пищевой нержавеющей арматуры и трубопроводной арматуры DIN11850 и DIN 11852.
Нержавеющие фланцы DIN 11850 изготавливаются из различных марок нержавеющей стали, в зависимости от окружающей и рабочей среды, где данные фланцы будут использованы.
Марка стали: AISI304/304L, AISI316/316L.
Рабочее давление фланца плоского Din11850 до 1 МПа (до 10 кгс/см²)
Рабочая температура: от -40°С до +300°С.
Обозначение и маркировка нержавеющего фланца: фланец нержавеющий плоский/гладкий DN50 PN10 DIN11850 AISI304 или AISI316, где (фланец приварной плоский/гладкий - тип фланца, 50 - условный диаметр фланца, PN10 - допустимое рабочее давление данного фланца, DIN 11850 - стандарт труб и фитингов размерного ряда по DIN11850, AISI 304 либо AISI 316 марка стали фланца).
Минимальный заказ фланцев от 1шт.
Страна производитель: Италия, Германия, Чехия, Россия.
Сфера применения
при монтаже пищевых трубопроводов (линии розлива алкогольных и безалкогольных напитков)
при изготовлении оборудования для пищевого производства
при монтаже и обвязке емкостного оборудования
при производстве запорно-регулирующей арматуры (краны дисковые/шаровые фланцевые, клапана и тд)
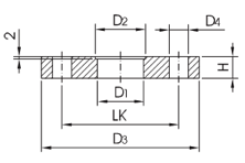
Чертеж и размерный ряд фланца DIN11850 PN10:

|
Диаметр условный (Dn), мм |
Диаметр внутренний (D1), мм |
Диаметр фаски (D2), мм |
Диаметр внешний (D3), мм |
Диаметр межосевого расстояния (LK), мм |
Толщина фланца (H), мм |
Размер крепежа (D4), мм |
Количество креп отверстий, |
Вес одного фланца, кг |
|
10 |
10 |
12,2 |
90 |
60 |
14 |
14 |
4 |
0,5 |
|
10 |
10 |
13,2 |
90 |
60 |
14 |
14 |
4 |
0,5 |
|
15 |
16 |
18,2 |
95 |
65 |
14 |
14 |
4 |
0,6 |
|
15 |
16 |
19,2 |
95 |
65 |
14 |
14 |
4 |
0,6 |
|
20 |
20 |
22,2 |
105 |
75 |
14 |
14 |
4 |
0,9 |
|
20 |
20 |
23,2 |
105 |
75 |
14 |
14 |
4 |
0,9 |
|
25 |
26 |
28,2 |
115 |
85 |
14 |
14 |
4 |
1,1 |
|
25 |
26 |
29,2 |
115 |
85 |
14 |
14 |
4 |
1,1 |
|
32 |
32 |
34,2 |
140 |
100 |
14 |
18 |
4 |
1,6 |
|
32 |
32 |
35,2 |
140 |
100 |
14 |
18 |
4 |
1,6 |
|
40 |
38 |
40,2 |
150 |
110 |
14 |
18 |
4 |
1,8 |
|
40 |
38 |
41,2 |
150 |
110 |
14 |
18 |
4 |
1,8 |
|
50 |
50 |
52,2 |
165 |
125 |
14 |
18 |
4 |
2,3 |
|
50 |
50 |
53,2 |
165 |
125 |
14 |
18 |
4 |
2,3 |
|
65 |
66 |
70,5 |
185 |
145 |
14 |
18 |
4 |
2,9 |
|
80 |
81 |
85,5 |
200 |
160 |
16 |
18 |
8 |
3,0 |
|
100 |
100 |
104,5 |
220 |
180 |
16 |
18 |
8 |
4,0 |
|
125 |
125 |
129,5 |
250 |
210 |
20 |
18 |
8 |
5,0 |
|
150 |
150 |
154,5 |
285 |
240 |
20 |
22 |
8 |
7,0 |
|
200 |
200 |
204,5 |
340 |
295 |
24 |
22 |
8 |
9,0 |